首 页
企业简介
公司简介
资质证书
市场业绩
售后体系
产品中心
高压强电类产品
移动式电力测试智能集成
电子仪器类产品
代销仪器仪表类产品
增值服务
在线留言
新闻中心
行业动态
公司新闻
工程案例
电子技术
人力资源
人才理念
岗位招聘
联系我们
产品中心
新闻中心
NEWS CENTER
新闻中心
行业动态
公司新闻
工程案例
电子技术
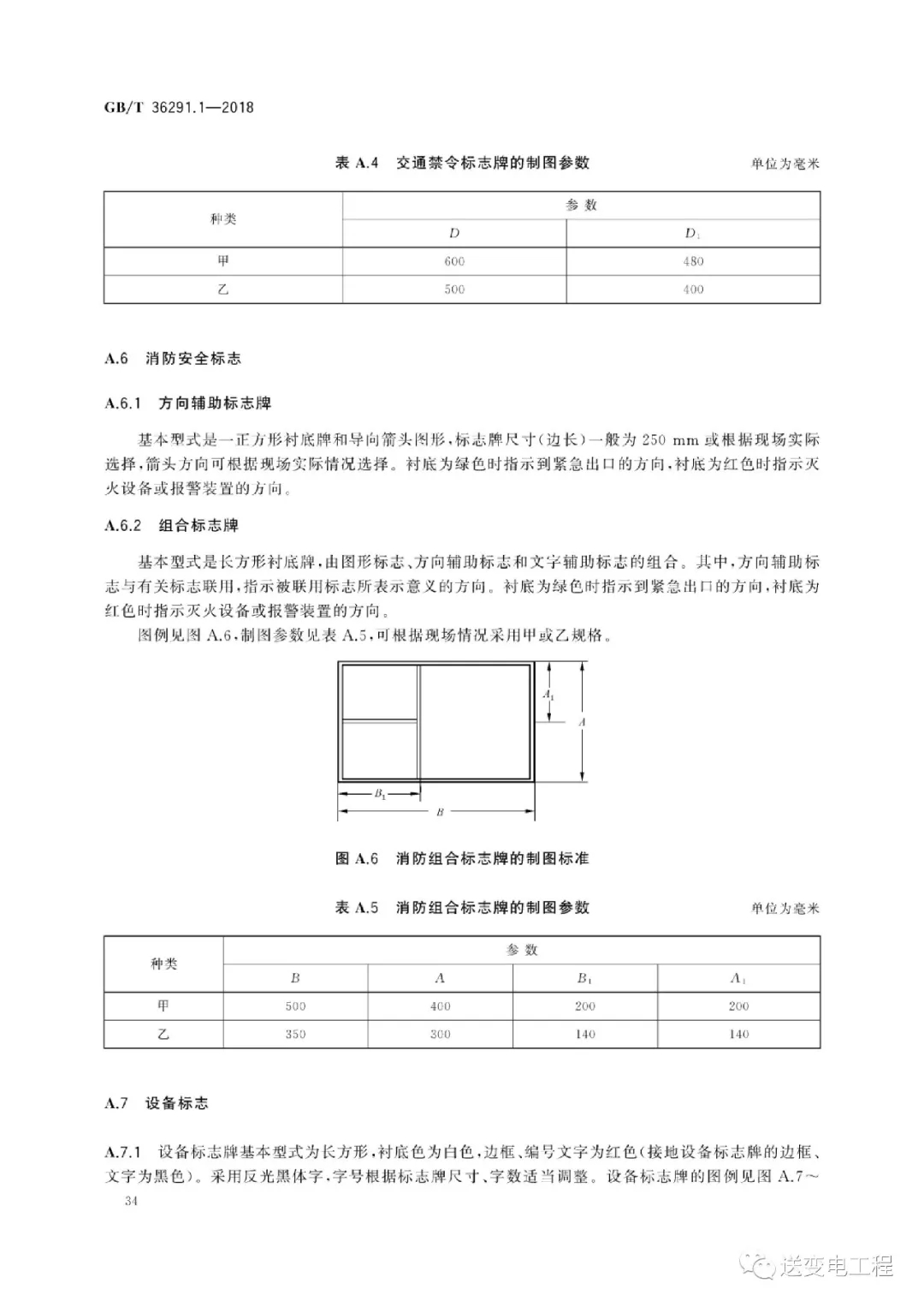
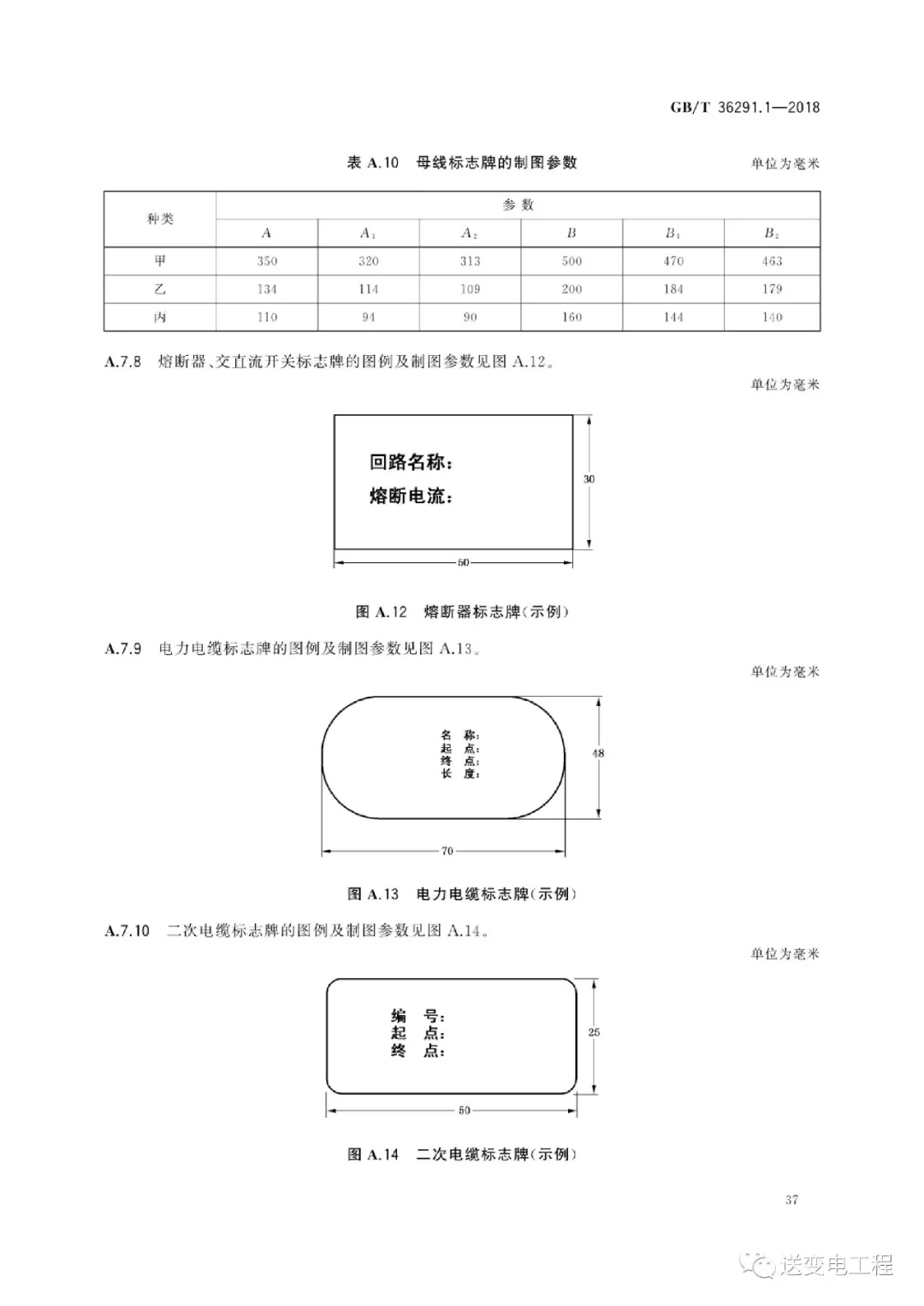
GB∕T 36291.1-2018《电力安全设施配置技术规范 第1部分:变电站》
2019-04-19
47
字号
返回列表
上一条
海底管道砂石回填对管道冲刷...
2018-12-12
下一条
暂无数据
<